12+ ford 555 backhoe hydraulic diagram
Use the CNH parts website. Sep 17 2017 0183 32 This is the Highly Detailed factory service repair manual for the1977 FORD 550 TRACTOR LOADER BACKHOE this Service Manual has detailed.
 		 		
 		
 	April Toy Auction Results St Aston S Toy Auctions 	
They have complete parts diagrams for everything on.
 					. Jensales offers the finest in. Just call for that pump This pump sells at your Ford New Holland dealer for over 1200. This Pump replaces 83958922 83963524 E7NN600BA E7NN600BB EHPN600AA.
We offer you the opportunity to save money and still have a new pump. 24 qts 23 L. Kubota M9540 Ford 3910FWD Ford 555A JD2210.
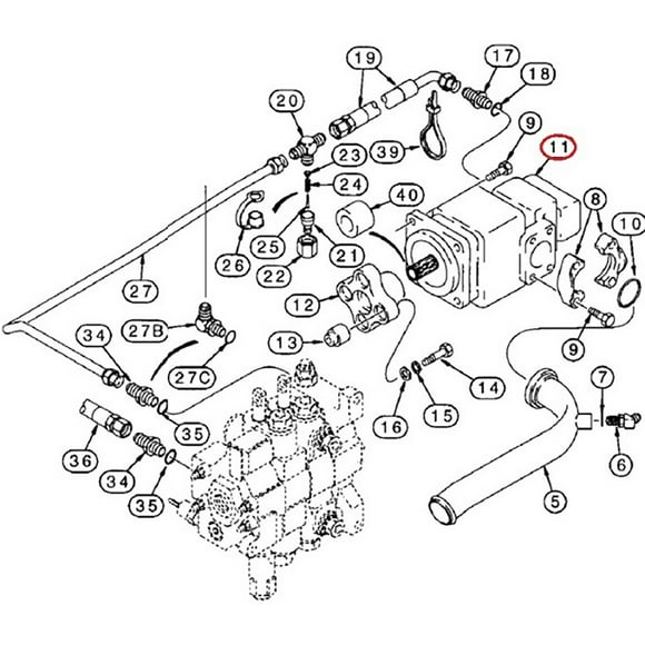
Welcome to Alma Tractor and Equipments Online Parts Store for Ford 555d Backhoe Parts. For a diagram that you can print out go to the Official New Holland Online Parts Store on the internet. Ford 555C backhoe-loader tractor overview.
Call Us 866-441-8193 Follow Us On. It is really an involved job and not for the faint of heart. Ford 555 backhoe was manufactured from the early 1980s to the mid-1990s as a heavy-duty backhoe.
21 gal 795 L. I have took out all. Have a ford 555 and all the sudden all the hydraulics quitthe bucket may lift 3 inches if you baby it alot.
2450 psi 1689 bar. This almost marks the. Used on Ford Industrial models.
Ford 550 Tractor Loader Backhoe Tlb Illustrated Parts List Manual This is the complete illustrated master parts list manual for Ford model 550 Industrial Tractor Loader Backhoe TLB. Call now to order Ford 555 Backhoe Parts. 550 555 555A 555B 655 655A Item.
21 gal 795 L. Hy-Capacity was founded in 1978 as a remanufacturer of agricultural clutches water pumps and torque amplifiers Over the years Hy-Capacity has expanded product lines to include ag parts. Ford 555 specs weight dimensions and reviews listed in this article.
Here the 4 main backhoe lines hoses are installed on a Ford 555 backhoe. Also available as a pdf download. The Ford 555 Tractor Loader Backhoe Operators Manual fits the Ford New Holland 555.
- Enter 555 as your model number. - Click on find parts by model. FORD NEW HOLLAND MODELS.
Always in stock so you can get it fast.
 		 		
 		
 	15 Essential Diesel Technician Skills For Your Resume And Career Zippia 	
 		 		
 		
 	Hydraulic Thumb Backhoe 	
 		 		
 		
 	Previous Auctions Wbas 	
 		 		
 		
 	Ford 555 Parts Hydraulic System Parts 	
 		 		
 		
 	Ford 555 Backhoe Loader Tractor Review And Specs Tractor Specs 	
 		 		 		
 	Ans Digital Library Numismatic Finds Of The Americas 	
 		 		
 		
 	Ford 555 Tractor Loader Backhoe Parts Manual Walmart Com 	
 		 		 		
 	Specifications For The Ford 555 Backhoe 	
 		 		
 		
 	Exchange April 17 2009 By Exchange Publishing Issuu 	
 		 		
 		
 	Ford Loader Hydraulic Cylinder 	
 		 		
 		
 	Replacing A Backhoe Hydraulic Line Hose In The Field For A Ford 555 Youtube 	
 		 		
 		
 	15 Essential Diesel Technician Skills For Your Resume And Career Zippia 	
 		 		
 		
 	15 Essential Maintenance Machinist Skills For Your Resume And Career Zippia 	
 		 		
 		
 	Ford 555 Backhoe Parts Helpline 1 866 441 8193 	
 		 		 		
 	Ford 555b Industrial Tractor Parts Manual 	
 		 		
 		
 	062113 Exchange By Exchange Publishing Issuu 	
 		 		
 		
 	Previous Auctions Wbas